2025最新吃瓜爆料,佛爷健身房里的35岁女人是哪里人,战狼行动在线观看蓝衣

您好,欢迎来到胡埭液压气动有限公司!

收藏本站 | 常见问题解答 | 网站地图 分享到新浪微博 分享到腾讯微博

product_banner

胡埭液压气动产品分类

联系胡埭液压气动

无锡胡埭液压气动有限公司
地址:无锡市胡埭镇振胡路105-2号
联系人:苏炯 13814226453
电话:0510-85599453
传真:0510-85598310
邮箱:690591106@qq.com

首页 ?

双作用双活塞杆气缸系列

Loading...

双作用双活塞杆气缸系列

    产品规格齐全,质量可靠,价格合理,专业生产液压气动元件及粉末冶金制品
    订购热线:0510-85599453
    产品详情
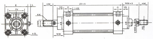
    安装尺寸:
    缸径 B MM AM KK VD EE WH G E TV D2 L2 ZJ
    40 36 16 24 M12 × 1.25 22 M14 × 1.5 G1/4 30 26 62 42 M6 10 105
    50 38 20 32 M16 × 1.5 23 M14 × 1.5 G1/4 37 28 70 50 M6 10 131
    63 42 20 32 M16 × 1.5 23 M14 × 1.5 G3/8 37 30 83 60 M8 12 142
    80 50 25 40 M20 × 1.5 25 M18 × 1.5 G3/8 45 32 100 72 M10 13 158
    100 51 25 40 M20 × 1.5 25 M14 × 1.5 G1/2 49 39 120 90 M10 13 175
    125 70 32 54 M27 × 2 30 M14 × 1.5 G1/2 63 44 148 112 M12 15 191
    安装尺寸图:

    关于我们

      无锡胡埭液压气动有限公司位于风景秀丽的太湖之滨---胡埭,地理位置优越,交通十分便利。
      本公司是一家专业生产各种气缸、水缸、液压油缸、液压泵站、气源处理三联件、交直流二用系列磁性开关(含磁环)及粉末冶金制品的企业。公司体制完备,管理科学,拥有多台大型设备。公司所生产的产品,远销全国各地市场。公司拥有的生产设备,技术力量雄厚,工艺、检测设备齐全,售后服务完善,始终以科技为先导,依靠科学的管理和的经营理念,加以高品质和诚信的服务,本质量稳定可靠.赢得了客户一致的青昧。
      本公司遵循“品质优良,服务至上”的宗旨,努力为用户提供更多优质的产品和更完善的服务,来满足广大新老用户的需求。我们愿与同行业精诚合作,同时真诚欢迎广大客户莅临指导,共创辉煌!

    采购 : 双作用双活塞杆气缸系列
    * 表示必填
    * 联系人: 请填写您的真实姓名
    * 手机号码: 请填写您的联系电话
    * 电子邮件:
    * 采购意向描述:
    请填写采购的产品数量和产品描述,方便我们进行统一备货。

    跟此产品相关的产品

    带开关、带阀、组合气缸系列 带开关、带阀、组合气缸系
    JB冶金设备用气缸系列 JB冶金设备用气缸系列
    QGX轻型气缸系列 QGX轻型气缸系列
    收缩

    QQ在线客服

    • 在线咨询
    • 点击这里给我发消息
    • 点击这里给我发消息
    • 立即订购
    • 点击这里给我发消息
    点击隐藏
    主站蜘蛛池模板: 贵定县| 沛县| 桐庐县| 开鲁县| 新余市| 沭阳县| 桐梓县| 基隆市| 石台县| 邓州市| 仁化县| 建瓯市| 梁山县| 招远市| 景德镇市| 蒙城县| 芮城县| 化州市| 桦川县| 呼和浩特市| 扎赉特旗| 荔波县| 岐山县| 永修县| 襄樊市| 屯留县| 新巴尔虎左旗| 陆川县| 余干县| 玉树县| 涞源县| 宜黄县| 秦皇岛市| 哈巴河县| 长白| 天台县| 盐亭县| 息烽县| 广水市| 兴业县| 浦东新区|